Con este recurso en particular se explicará al alumno cómo utilizar el principio de superposición en circuitos cd.

Estrategia

 

 


An�lisis senoidal en estado estable

Superposición

El principio de superposición establece que la respuesta de cualquier elemento en una red que contenga más de una fuente de voltaje o corriente, es la suma de las respuestas producidas por cada una de ellas, actuando con las demás fuentes desactivadas. Este principio se cumple con cualquier tipo de fuente, ya sea en cd o en ca.

Ejemplo:

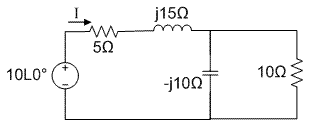
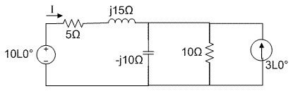
Utilizando el principio de superposición, determina la corriente de estado estable (I) en el circuito siguiente, cuando el voltaje en ca es V=10cos10t, y la fuente de corriente de cd es de 3A.

Diagrama

Para la fuente de voltaje:

Diagrama

r

Donde Zp es la impedancia del capacitor, en paralelo con la resistencia de 10Ω

c

Resolviendo:

u

i

Para la fuente de corriente:

Diagrama

Como la fuente de corriente es de cd, la velocidad angular ω es cero, por lo que la impedancia del capacitor es infinita; por lo tanto, actúa como circuito abierto, y la impedancia del inductor es cero, entonces actúa como un cortocircuito.

o

Usando el principio de superposición:

Nueva 13